Los cilindros de aire de alta calidad, la válvula de retención para cilindros hidráulicos, los actuadores y los solenoides de Hanno Valve se utilizaron inicialmente con acero y automóviles y han contribuido al crecimiento de las industrias clave de Japón. Ahora Hanno Valve cuenta con la mayor participación de mercado en válvulas de retención para cilindros hidráulicos en Japón. Trabajamos con una variedad de maquinaria neumática, desde actuadores hasta válvulas, dispositivos de control y equipos periféricos.
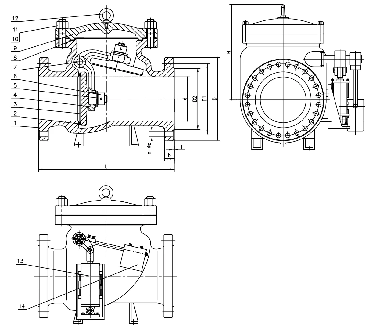
La válvula de retención del cilindro hidráulico de China, fabricada porHanno, es un componente funcional crítico en los sistemas hidráulicos. Su función principal es controlar el flujo unidireccional de fluido hidráulico y evitar el reflujo. Al prevenir eficazmente el flujo inverso, este producto mejora la estabilidad, eficiencia y seguridad de los sistemas hidráulicos, al tiempo que protege los cilindros hidráulicos de golpes de presión y daños por presión inversa.
Esta válvula de retención presenta una estructura confiable y es adecuada para diversas condiciones de trabajo complejas, manteniendo un rendimiento estable incluso en condiciones de funcionamiento continuo o entornos de alta carga. Es un componente indispensable en diversos equipos hidráulicos.
Prensas hidráulicas y sistemas de elevación.
Maquinaria pesada y equipos de ingeniería.
Automatización industrial y sistemas de transmisión hidráulica.
Maquinaria agrícola y forestal
Sistemas hidráulicos móviles
Prevención eficaz del reflujo
El diseño de control unidireccional permite que los medios fluyan sólo en la dirección especificada; Evita el reflujo del aceite hidráulico, protegiendo los cilindros hidráulicos y los componentes del sistema.
Adecuado para condiciones hidráulicas de alta demanda
Puede manejar aplicaciones hidráulicas de alta presión y alta frecuencia, lo que garantiza un funcionamiento suave del sistema y reduce las fluctuaciones de presión.
Estructura robusta y alta durabilidad
La válvula de retención del cilindro hidráulico está fabricada con materiales de alta resistencia, lo que resulta en una larga vida útil y bajos costos de mantenimiento.
Seguridad mejorada del sistema
La reducción del impacto de los golpes de presión en el sistema hidráulico previene eficazmente daños al equipo o mal funcionamiento causados por el reflujo.
Ventajas de la válvula Hanno:
Nuestra fábrica se especializa en la fabricación de válvulas y productos de control hidráulico. Podemos brindar asesoramiento de selección y soluciones personalizadas en función de las necesidades del cliente; Nuestros productos son adecuados para sistemas hidráulicos en múltiples industrias y diversas condiciones de trabajo.
Si necesita más detalles técnicos o desea obtener una solución de válvula de retención para cilindros hidráulicos adecuada para su equipo, no dude en contactarnos. Hanno Valve le brindará soporte profesional.
